Transmisi Jarak Jauh YZF3-200pengukur level oliIni digunakan pada konservator oli transformator besar dan menengah yang tertutup rapat. Ketika level oli di konservator oli berubah, pelampung pada batang penghubung pengukur level oli berayun ke atas dan ke bawah, mendorong mekanisme rotasi pengukur level oli untuk berputar, dan level oli konservator oli ditunjukkan oleh penunjuk pada dial melalui rotasi kopling magnetik dan poros penunjuk. Pengukur level oli dilengkapi dengan mekanisme alarm level oli yang melebihi batas, dan pemancar sinyal mengubah sinyal level oli menjadi nilai arus standar 4-20 mA untuk mewujudkan pemantauan level oli jarak jauh.
![]() |
nomor seri | Nama struktur |
| 1 | header | |
| 2 | jarum jam | |
| 3 | kotak persimpangan | |
| 4 | Flensa Pemasangan | |
| 5 | pendulum | |
| 6 | mengapung | |
| 7 | terminal kabel |
Prinsip Kerja Pengukur Level Oli Jarak Jauh YZF3-200
Trafo daya dan perubahan suhu oli peralatan listrik lainnya atau alasan lain menyebabkan ketinggian oli kabinet penyimpanan oli naik atau turun, penunjuk penunjuk level oli seri YZ mengapung atau batang teleskopik mendeteksi perubahan level oli, dan melalui roda gigi dan kopling magnetik, perubahan level oli akan ditransmisikan ke penunjuk pengukur level oli, yang menunjukkan level oli tinggi dan rendah;ketika level oli naik ke posisi alarm level oli tinggi pengukur level oli atau ketika level oli turun ke posisi alarm level oli rendah pengukur level oli, pengisapan magnet (atau sakelar bubungan) sakelar kontak buluh yang sesuai (atau sakelar mikro) untuk mengirim sinyal listrik. Ketika level oli naik ke posisi alarm level oli tinggi pada pengukur level oli atau ketika level oli turun ke posisi alarm level oli rendah pada pengukur level oli, magnet menarik (atau cam beralih) sakelar kontak buluh yang sesuai (atau sakelar mikro) untuk mengirimkan sinyal listrik. Jika produk dilengkapi dengan fungsi output analog pemantauan level oli waktu nyata, alat pengukur melalui sirkuit konversi sinyal akan menjadi perubahan level oli dalam output sinyal analog 4 ~ 20mA, untuk mencapai fungsi pemantauan jarak jauh.
Pengukur Ketinggian Oli Jarak Jauh YZF3-200Deskripsi Model Produk

YZF3-200 adalah pengukur level oli dengan tipe penunjuk, bentuk bola mengambang, nomor seri desain 3 dan diameter dial 200mm.
Catatan: F adalah tipe float, S adalah tipe batang teleskopik, tipe umum. Dengan rangkaian analog 4-20 mA dinyatakan sebagai: YZF3-200M
Pengukur Ketinggian Oli Jarak Jauh YZF3-200Parameter teknis
| kesalahan peringatan | Kurang dari 2,51 TP3T untuk cakram penuh |
| Kapasitas kontak | AC220V, 1A; DC220V, 0.3A |
| suhu lingkungan | -25°C-+40°C |
| tegangan frekuensi industri | 2KV, 1 menit |
| Kelembaban relatif lingkungan | Tidak lebih dari 90% (20°C) |
| 300Kpa, 20 menit tidak ada kebocoran | |
| Peringkat Perlindungan: | IP55 |
| AV 220V 1A, DC 220V 0.3A | |
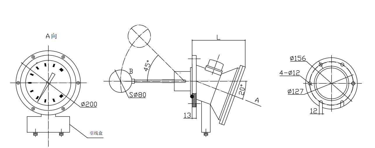
Pengukur Ketinggian Oli Jarak Jauh YZF3-200Dimensi Eksternal

Pengukur Ketinggian Oli Jarak Jauh YZF3-200Diagram Pengkabelan Listrik

***D4 dan D5 dua kabel tidak perlu disambungkan dengan kabel. d7 terhubung ke tampilan digital 7, d6 terhubung ke tampilan digital 12. Sinyal 4-2ma atau 485 dikeluarkan pada tampilan digital.
(Pengkabelan internal pengukur level oli)
Catatan: Mendukung kabel tampilan digital karena pilihan tabel tampilan digital yang berbeda, kabel dengan cara yang berbeda, kabel khusus lihat instruksi tabel CNC
keluaran analog
Saat mengonfigurasi fungsi output analog untuk pemantauan level oli secara real-time di konservator oli, penunjuk pengukur level oli sesuai dengan output analog 4mA dan 20mA pada posisi 0 dan 10 skala dial masing-masing, dan sudut 0-10 skala dial pengukur level oli adalah 270º atau 120º, dan hubungan antara output analog mA pada setiap posisi dan sudut ayunan penunjuk dial pengukur level oli adalah sebagai berikut:
Output analog = {(20-4)/sudut putar pengukur level oli} x sudut ayunan penunjuk penunjuk pengukur level oli + 4mA.
Misalnya, ketika penunjuk menunjuk ke bit 1, kuantitas analog output dihitung sebagai: {(20-4)/270}x27+4=5,60mA
Apabila penunjuk mengarah ke 150º, analog output dihitung sebagai {(20-4)/270} x 150 + 4 = 12,89mA
Hubungan antara posisi penunjuk pengukur level oli dan output analog yang sesuai ditunjukkan pada diagram di bawah ini:
![]() |
![]() |
Ukuran pemasangan [semua ukuran dapat disesuaikan
| nomor model | Diameter luar flensa D0 | Diameter lubang pemasangan D | lubang pemasangan | Pemasangan Bukaan Flensa |
| YZF3-200 | Ø 156 | Ø 127 | 6-M10 | Ø 100 |
Diameter reservoir D dan pemilihan panjang batang penghubung L
L = D/2-80/2-10 (YZF2-140, YZF2-200)
L=1.414(D-200)(YZF3-140,YZF3-200,YZF2-250)
Lmin=D-2X90,Lmax=1.414Lmin(YZS2-250)
posisi pemasangan
| nomor model | Diameter dial mm | sudut penunjuk | posisi titik awal | Sudut pendulum | posisi pemasangan |
| YZF3-200 | Ø 200 | 270 | tingkat (pencapaian dll) | 45 | Di bawah dinding samping |
Diagram Instalasi

Instalasi dan Pemeliharaan
- penyelidikan
Setelah menghubungkan pelampung ke pendulum (bagian pelampung) terlebih dulu, lakukan pemeriksaan berikut ini:
a. Pastikan penunjuk tidak longgar dan dapat berputar secara fleksibel.
b. Periksa indikasi titik terendah dan tertinggi, ketika pendulum pelampung masing-masing di posisi terendah dan tertinggi, penunjuk harus masing-masing di area merah harus dikhawatirkan (seperti produk yang dibeli untuk alarm level oli tinggi dan rendah juga harus dikhawatirkan di area tersebut).
c. Periksa kaca dial apakah ada kerusakan.
d. Periksa apakah pelampung rusak. Pendulum terhubung dengan kuat ke pelampung dan ke bagian transmisi.
- pemasangan
Saat memasang, pertama-tama panjangkan bagian pelampung ke dalam kabinet penyimpanan oli, lalu kencangkan pengukur level oli ke flens pemasangan dengan baut. Flensa pemasangan disediakan oleh pengguna.
- Pemeliharaan dan Tindakan Pencegahan
Karena pengukur level oli ini adalah instrumen presisi, maka tidak boleh dibongkar atau dipasang tanpa alasan khusus. Apabila terjadi kegagalan, Anda harus menghubungi produsen tepat waktu. Tindakan pencegahan adalah sebagai berikut:
a. Periksa waktu ketinggian oli ini, jangan memukul bagian transmisinya dengan keras.
b. Pengukur level oli ini tidak dapat digunakan di tempat yang lingkungan sekitarnya memiliki getaran dan guncangan yang keras, dan tidak mudah terkena dampak yang kuat.
c. Level cairan yang diukur oleh pengukur level oli ini juga cenderung tidak berfluktuasi secara drastis.
d. Ketika pengukur level oli diangkut secara keseluruhan dengan kabinet penyimpanan oli, bagian pelampung harus dipasang (sebaiknya dipasang di lokasi).
e. Tegangan operasi catu daya input tidak boleh melebihi 35V, jika tidak maka dapat menyebabkan kerusakan pada pemancar. Direkomendasikan 24V, 2500Ω DC.
Regulator tampilan level oli digital yang cerdas dapat ditambahkan.
![]() |
![]() |

















